分布式发电综合实验室,是一个包含分布式发电电源、模拟变电站、配电站、输配电线路及各种模拟用电负荷等组成的完整电力系统的全方位物理模拟,配置了先进和完善的电气二次设备,并包含一个配备了变电站仿真系统、电力系统潮流计算、短路计算等软件的计算与仿真室。
为使学生适应当前能源发展的需要,掌握分布式发电系统、模拟风力并网发电、光伏并网发电等基本结构与工作原理,发电电源考虑了风力发电、光伏发电、超级电容发电等多种电源形式,为开展新型分布式发电电源的电气控制、保护及电力电子等方面的实验与研究提供了相应的平台。为了使电气工程及其自动化专业的学生对整个电力系统有一个完整、全面的认识,使学生熟悉并掌握电力系统结构及运行特点,系统中设置了几个典型的变电站、配电站以及多条输配电线路,且组成的电力系统结构形式、变电站主接线运行方式及输配线路的参数可灵活改变。为了使学生了解不同负荷对系统的影响以及开展负荷调配控制方面的实验,系统中设置了多种负荷形式,包括静止负荷与旋转负荷。该综合实验室所配置的先进和完善的电气二次设备及监控系统与现场运行设备完全等同,包括监控系统、各种保护及各种电气自动装置。保护及监控系统采用最流行的分散分布式结构,使整个系统结构紧凑,电路简洁清晰,连接电缆大大减少。
分布式发电综合实验室为学生进行实际动手操作和进行各种电气设备及装置的调试提供了可能,为学生进一步进行一些探索性学习与研究提供了条件。另外该综合实验室包含的计算与仿真室,可开展相关的电力系统计算、变电站运行仿真、变电站巡视与维护仿真等方面的专业综合实验与实习。为开展电力系统全数字仿真,近年来,实验室购置了中国电力科学研究院开发的ADPSS系统,可为电力系统机电和电磁暂态混合仿真研究提供支撑。
分布式发电综合实验室为电气工程及其自动化专业电气系列课程的实践性教学提供优良的条件与场所,有利于系统性、综合性地开设电气系列课程的实验及进行专业综合实习,为学生提供了实际动手操作和进行设备调试的机会。
§2 分布式发电综合实验室系统构成
§2-1 分布式发电系统的设备配置
一、电源
1、容量为1kW,出口电压为400V的风力发电机系统一套,包括风力发电机、控制逆变器、风机并网控制器等,生产厂家为南京禾浩通信科技有限公司(风车高六米,布置在工科一号楼楼顶)。
2、容量为3kW,出口电压为400V的太阳能光伏发电系统一套,包括光伏发电板、控制逆变器、光伏并网控制器等,生产厂家为南京禾浩通信科技有限公司(光伏板布置在工科一号楼楼顶)。
3、容量为0.5kW,出口电压为400V的超级电容蓄能发电系统一套,包括超级电容器、并网控制器等,生产厂家为锦州百纳电气有限公司。
4、容量为2kW,出口电压为400V的模拟发电机组四套,采用浙江天煌科技实业有限公司生产的THLZD-II型电力系统综合自动化实验平台,该实验平台既作为分布式发电系统中的4个电源点,又可单独进行发电机启停机、并网及各种电力系统分析等方面的实验。
5、无穷大电源采用市电经感应调压器及双卷变压器接入来模拟。
二、变压器及调压器:
1、容量为5kVA,电压比为600±2×2.5%V/400V,Y0,d-11接线的双绕组三相变压器4台。
2、容量为5kVA,电压比为600±2×2.5%V/500V/400V,Y0,y0,d-12-11接线的三绕组三相变压器2台。
3、容量为5kVA,电压比为500V/400V,Y0,d-11接线的双绕组三相变压器2台。
4、调压器-变压器组:容量为20kVA,电压430V的三相感应调压器1台;容量为20kVA,电压比为380V/600V,接线方式为Y,y-12的变压器1台。
三、线路
三相模拟线路6条。每条线路结构及参数如下(线路电流按10A考虑):

电阻采用变阻器;电感采用空心线圈
每个电感线圈平均分为4部分,共5个引出头,引出头经试验端子引出(便于进行短路实验):

四、负荷
1、旋转负荷:容量为1kW,输入电压为380V三相交流的低噪音轴流风机8个;1.5kW变频电机负载2套。
2、三相模拟静止负荷6套:每套由可分别投切的2组电阻、2组电感构成,每套三相有功1kW,三相无功0.75kVar。
五、配电屏柜25个(详细配置见后续)
六、SCADA监控系统:包含硬件(各配电屏柜上的共35个现地测控单元下位机、两台上位监控机、服务器及配套的网络连接设备)和相应的软件系统。
七、直流电源柜(容量20kVA,具有2路220V/20A直流输出)
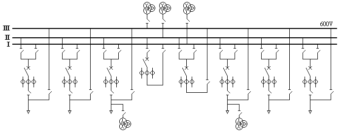
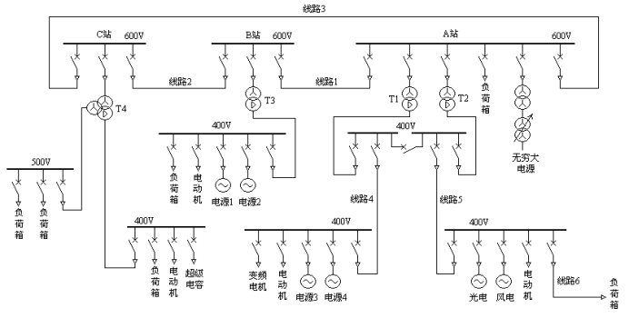
§2-2 分布式发电系统电网基本结构
一、A变电站
(1) 所接变压器为双绕组变压器(所接变压器台数灵活可变),600V和400V两个电压等级。
(2) 600V电压等级有6条进出支路,主接线采用双母线带旁路;每条支路所接设备(变压器或线路或电源或负荷)可灵活选择。

(3) 400V电压等级有4条进出支路,主接线采用单母线分段;每条支路所接设备(变压器或线路或电源或负荷)可灵活选择。

二、B变电站(C变电站):

(1) 所接变压器可为双绕组变或三绕组变,接双绕组变压器则有600V和400V两个电压等级;接三绕组变压器则有600V、500V和400V三个电压等级。
(2) 600V电压等级有3条进出支路,主接线采用单母线;每条支路所接设备(变压器或线路或电源或负荷)可灵活选择(B站与C站相同)。
(3) 变压器低压侧(或中、低压侧)的主接线可灵活选择多种配电单元形式。
三、配电站(配电单元)
多个不同形式的配电单元,可灵活构成数量和形式可变的配电站(或变电站),各支路所接设备可灵活选择。

四、电网结构
由以上变电站和配电单元及相应的变压器、线路、电源、负荷等可搭接出不同形式的网络结构。例如可搭接出如下典型网络结构:
§2-3 配电测控屏柜及其屏内设备
一、A变电站配电测控屏
1、600V电压等级配电测控屏(8个:A站1#—8#屏)
(1) 模拟断路器及隔离开关
模拟断路器QF(8个)采用额定电压为400V、工作电流大于30A的三相交流接触器模拟,模拟断路器能通过就地手动开关和远方遥控进行分合闸,模拟断路器的就地手动开关边上配“就地”、“遥控”切换开关,就地手动开关下方配红、绿灯指示(红灯表示合,绿灯表示分)。模拟断路器控制回路:
模拟隔离开关(34个)皆采用额定电压为400V、工作电流大于30A的小型空气开关,模拟隔离开关通过就地空气开关的手动把手进行分合。
(2) 互感器
模拟电流互感器:3×8个(每个支路一组),额定电压600V,频率50HZ,变比10A/1A。
模拟电压互感器:5个三相电压互感器TV;采用三相五柱式三绕组TV,接成YN0,yn0,开口d11,电压变比
。
(3) 表计:电压表5只(通过切换开关可分别测量AB、BC、CA相间电压)。
(4) 母线:采用扁铜条,每块屏的扁铜条两端皆有接线端,以便两块屏母线之间用短线连接。
(5) 现地测控单元:采集各支路的电流及母线电压并实现对模拟断路器的控制,且具有相应支路的保护功能,现地测控单元通过以太网与上位机连接,作为SCADA测控系统的下位机。
(6) A站#1、#8屏上各设一块MZ-10组合式同期表,用于无穷大系统与本站并列及本站与B或C站并列。每块屏内所设的同期接线如下图:
(7) 每块屏上每条支路出线处设置三相插孔,以便进行短路模拟测试;同时在I母及II母的电压互感器支路上设置三相插孔以便模拟母线短路。(配电测控屏正面每个设备符号旁设置一个有机玻璃的标识卡插套,可方便地更换设备标识卡)
2、400V电压等级配电测控屏(3个:A站9#—11#屏)
配电测控屏中设备功能及要求与A站600V电压等级配电测控屏基本相同,只是电流互感器额定电压为400V;电压互感器变比为
。

二、B变电站及C变电站配电测控屏(4个:B站1#—2#屏,C站1#—2#屏)
配电测控屏中设备功能及要求与A站600V电压等级配电测控屏相同

B站#1、C站#1屏上各设一块MZ-10组合式同期表,用于两站之间并列。每块屏内的同期接线如下图:
三、配电站配电测控屏(10个:配电1#—10#屏)
配电测控屏中设备功能及要求与A站600V电压等级配电测控屏基本相同,只是电流互感器额定电压为400V;电压互感器变比为
。(配电9#、10#屏例外,电流互感器额定电压为500V;电压互感器变比为
)


§2-4 综合自动化系统配置
一、综合自动化网络系统配置方式
整个实验室的变电站综合自动化系统采用流行的分散分布式,即保护测控箱下放到电气一次屏柜上,各个保护测控箱(下位机)之间采用RS485口连接,然后经通讯管理机及以太网交换机与2台上位机(双机热备用)相连。综合自动化软件采用湖南紫光测控公司的SM-3综合自动化软件系统,实时监视整个模拟电力系统的各个站的信息,包括电气一次主接线图等状态图,实时显示各种电气及非电气数据、事件顺序记录、各种事故及故障信息,控制断路器分合闸等。
通讯网络结构图:

二、保护测控箱配置
所有保护测控箱采用湖南紫光测控公司的DCAP-5000系列保护测控装置。具体配置如下:
1、A站保护测控箱配置
(1)A站1#屏柜:配1个DCAP-5000线路保护测控箱(兼有中低压线路阶段电流保护及断路器测控功能)。
(2)A站2#屏柜:配1个DCAP-5040主变差动保护箱(具有主变双侧差动保护功能)、1个DCAP-5051主变后备保护测控箱(兼有主变高压侧后备保护及断路器测控功能)。
(3)A站3#屏柜:配1个DCAP-5040主变差动保护箱(具有主变双侧差动保护功能)、1个DCAP-5051主变后备保护测控箱(兼有主变高压侧后备保护及断路器测控功能)。
(4)A站4#屏柜:配1个DCAP-5030母联保护测控箱(兼有母联保护及断路器测控功能)。
(5)A站5#屏柜:配1个DCAP-5030旁母保护测控箱(兼有旁母保护及断路器测控功能)。
(6)A站6#屏柜:配1个DCAP-5000线路保护测控箱(兼有中低压线路阶段电流保护及断路器测控功能)。
(7)A站7#屏柜:配1个DCAP-5000线路保护测控箱(兼有中低压线路阶段电流保护及断路器测控功能)。
(8)A站8#屏柜:配1个DCAP-5112线路保护箱(具有高压线路距离保护功能)、1个DCAP-5002综合监控测控箱(具有断路器测控功能)。
(9)A站9#屏柜:配1个DCAP-5000线路保护测控箱(兼有中低压线路阶段电流保护及断路器测控功能)、1个DCAP-5050主变后备保护测控箱(兼有主变低压侧后备保护及断路器测控功能)。
(10)A站10#屏柜:配1个DCAP-5030母联保护测控箱(兼有母联保护及断路器测控功能)。
(11)A站11#屏柜:配1个DCAP-5000线路保护测控箱(兼有中低压线路阶段电流保护及断路器测控功能)、1个DCAP-5050主变后备保护测控箱(兼有主变低压侧后备保护及断路器测控功能)。
2、B站及C站保护测控箱配置
(1)B站1#屏柜:配1个DCAP-5000线路保护测控箱(兼有中低压线路阶段电流保护及断路器测控功能)。
(2)B站2#屏柜:配1个DCAP -5000线路保护测控箱(兼有中低压线路阶段电流保护及断路器测控功能)、1个DCAP-5040主变差动保护箱(具有主变双侧差动保护功能)、1个DCAP-5051主变后备保护测控箱(兼有主变高压侧后备保护及断路器测控功能)。
(3)C站1#屏柜:配1个DCAP-5000线路保护测控箱(兼有中低压线路阶段电流保护及断路器测控功能)。
(4)C站2#屏柜:配1个DCAP -5000线路保护测控箱(兼有中低压线路阶段电流保护及断路器测控功能)、1个DCAP-5041A主变差动保护箱(具有主变三侧差动保护功能)、1个DCAP-5051主变后备保护测控箱(兼有主变高压侧后备保护及断路器测控功能)。
3、配电站保护测控箱配置
(1)配电站1#屏柜:配1个DCAP-5050主变后备保护测控箱(兼有主变低压侧后备保护及断路器测控功能)。
(2)配电站2#屏柜:配1个DCAP -5000线路保护测控箱(兼有中低压线路阶段电流保护及断路器测控功能)、1个DCAP-5010电动机保护测控箱(兼有电动机保护及断路器测控功能)。
(3)配电站3#屏柜:配1个DCAP-5050主变后备保护测控箱(兼有主变低压侧后备保护及断路器测控功能)。
(4)配电站4#屏柜:配1个DCAP -5000线路保护测控箱(兼有中低压线路阶段电流保护及断路器测控功能)、1个DCAP-5010电动机保护测控箱(兼有电动机保护及断路器测控功能)。
(5)配电站5#屏柜:配1个DCAP -5000线路保护测控箱(兼有中低压线路阶段电流保护及断路器测控功能)。
(6)配电站6#屏柜:配1个DCAP -5000线路保护测控箱(兼有中低压线路阶段电流保护及断路器测控功能)、1个DCAP-5010电动机保护测控箱(兼有电动机保护及断路器测控功能)。
(7)配电站7#屏柜:配1个DCAP -5000线路保护测控箱(兼有中低压线路阶段电流保护及断路器测控功能)。
(8)配电站8#屏柜:配2个DCAP -5000线路保护测控箱(兼有中低压线路阶段电流保护及断路器测控功能)。
(9)配电站9#屏柜:配1个DCAP-5050主变后备保护测控箱(兼有主变后备保护及断路器测控功能)。
(10)配电站10#屏柜:配2个DCAP -5000线路保护测控箱(兼有中低压线路阶段电流保护及断路器测控功能)。
三、保护测控箱功能简介
1、线路保护监控单元DCAP-5000功能
1)电流速断保护功能(可受方向判据和复合电压判据控制)。
2)两段定时限过流保护功能(可受方向判据和复合电压判据控制)。
3)电压定时速断保护功能。
4)失压保护功能(可受TV断线闭锁控制)。
5)过压保护功能。
6)两段零序过流保护功能。
7)零序过压保护功能。
8)重合闸功能(带后加速)。
9)低周减载功能。
10)充电保护功能。
11)过负荷保护功能。
12)检同期、检无压功能。
13)TV和TA断线报警功能。
14)控制回路断线报警功能。
15)四路非电量控制联跳功能。
16)装置失电告警功能。
17)故障录波功能(最长可录波20秒)。
18)对时功能:主机软件对时、脉冲对时。
19)装置可掉电保存最新40次报警记录。
20)装置带有1个RS485总线通信口和1个以太网通信口,便于实现双网通信。
21)装置具有10路交流模拟量输入,1路直流模拟量输入,12路开关量输入,8路开关量输出。
2、线路距离保护单元DCAP-5112功能
1)三段式相间距离保护
2)三段式接地距离保护
3)四段式零序方向过流保护
4)三段式过电流保护(PT断线后自动切换至过电流保护)
5)三相一次重合闸。
6)后加速功能。
7)低周减载功能。
8)TV和TA断线报警功能。
9)控制回路断线报警功能。
10)装置失电告警功能。
11)故障录波功能(最长可录波20秒)。
12)对时功能:主机软件对时、脉冲对时。
13)装置可掉电保存最新40次报警记录。
14)装置带有1个RS485总线通信口和1个以太网通信口,便于实现双网通信。
15)装置具有8路交流模拟量输入,12路开关量输入,8路开关量输出。
3、主变两侧电流差动保护单元DCAP-5040功能
1)差动速断保护功能。
2)比率制动及二次谐波制动的差动保护功能(可受TA断线闭锁控制)。
3)TA断线报警功能。
4)控制回路断线报警功能。
5)四路非电量控制联跳功能。
6)装置失电告警功能。
7)故障录波功能(最长可录波20秒)。
8)对时功能:主机软件对时、脉冲对时。
9)装置可掉电保存最新40次报警记录。
10)装置带有1个RS485总线通信口和1个以太网通信口,便于实现双网通信。
11)装置具有6路交流模拟量输入,1路直流模拟量输入,12路开关量输入,8路开关量输出。
4、主变三侧电流差动保护单元DCAP-5041A功能
1)差动速断保护功能。
2)比率制动及二次谐波制动的差动保护功能(可受TA断线闭锁控制)。
3)TA断线报警功能。
4)控制回路断线报警功能。
5)四路非电量控制联跳功能。
6)装置失电告警功能。
7)故障录波功能(最长可录波20秒)。
8)对时功能:主机软件对时、脉冲对时。
9)装置可掉电保存最新40次报警记录。
10)装置带有1个RS485总线通信口和1个以太网通信口,便于实现双网通信。
11)装置具有9路交流模拟量输入,1路直流模拟量输入,12路开关量输入,8路开关量输出。
5、综合监控单元DCAP-5002功能
1)两段低电压保护功能。
2)两段过电压保护功能。
3)零序过压保护功能。
4)检同期、检无压功能。
5)TV和TA断线报警功能。
6)控制回路断线报警功能。
7)四路非电量控制联跳功能。
8)装置失电告警功能。
9)对时功能:主机软件对时、脉冲对时。
10)装置可掉电保存最新40次报警记录。
11)装置带有1个RS485总线通信口和1个以太网通信口,便于实现双网通信。
12)装置具有9路交流模拟量输入,1路直流模拟量输入,12路开关量输入,8路开关量输出。
6、主变后备保护监控单元DCAP-5050功能(用作主变低压侧后备)
1)三段过流保护功能(可受方向判据和复合电压判据控制,III段带三个延时)。
2)反时限过流保护功能(极端反时限)。
3)零序过压保护功能(带两段延时)。
4)两段零序过流保护功能(零序过流II段带三个延时)。
5)间隙零序过流保护功能(带两段延时)。
6)过负荷保护功能。
7)风冷启动。
8)TV和TA断线报警功能。
9)控制回路断线报警功能。
10)四路非电量控制联跳功能。
11)装置失电告警功能。
12)故障录波功能(最长可录波20秒)。
13)对时功能:主机软件对时、脉冲对时。
14)装置可掉电保存最新40次报警记录。
15)装置带有1个RS485总线通信口和1个以太网通信口,便于实现双网通信。
16)装置具有12路交流模拟量输入,1路直流模拟量输入,12路开关量输入,8路开关量输出。
7、主变后备保护监控单元DCAP-5051功能(用作主变高压侧后备)
1)三段过流保护功能(可受方向判据和复合电压判据控制,III段带三个延时)。
2)反时限过流保护功能(极端反时限)。
3)零序过压保护功能(带两段延时)。
4)两段零序过流保护功能(零序过流II段带三个延时)。
5)间隙零序过流保护功能(带两段延时)。
6)过负荷保护功能。
7)风冷启动。
8)TV和TA断线报警功能。
9)控制回路断线报警功能。
10)四路非电量控制联跳功能。
11)装置失电告警功能。
12)故障录波功能(最长可录波20秒)。
13)对时功能:主机软件对时、脉冲对时。
14)装置可掉电保存最新40次报警记录。
15)装置带有1个RS485总线通信口和1个以太网通信口,便于实现双网通信。
16)装置具有14路交流模拟量输入,12路开关量输入,8路开关量输出。
8、母联分段保护监控及综合备自投单元DCAP-5030功能
1)速断保护功能。
2)两段定时限过流保护功能。
3)两段零序过流保护功能。
4)合环保护功能。
5)充电保护功能。
6)过负荷保护功能。
7)备用电源自投功能。
8)检同期、检无压功能。
9)TV和TA断线报警功能。
10)控制回路断线报警功能。
11)四路非电量控制联跳功能。
12)装置失电告警功能。
13)故障录波功能(最长可录波20秒)。
14)对时功能:主机软件对时、脉冲对时。
15)装置可掉电保存最新40次报警记录。
16)装置带有1个RS485总线通信口和1个以太网通信口,便于实现双网通信。
17)装置具有13路交流模拟量输入,12路开关量输入,8路开关量输出。
9、电动机保护监控单元DCAP-5010功能
1)速断保护功能。
2)两段定时限过流保护功能。
3)反时限过流保护功能(一般反时限、非常反时限、极端反时限)。
4)负序过流保护功能。
5)负序过压保护功能。
6)两段低电压保护功能(可受TV断线闭锁控制)
7)两段零序过流保护功能。
8)零序过压保护功能。
9)逆功率过流保护功能(可受TV断线闭锁控制)。
10)过负荷保护功能。
11)TV和TA断线报警功能。
12)控制回路断线报警功能。
13)四路非电量控制联跳功能。
14)记录高压电动机启动过程中A相电流的有效值。
15)装置失电告警功能。
16)故障录波功能(最长可录波20秒)。
17)对时功能:主机软件对时、脉冲对时。
18)装置可掉电保存最新40次报警记录。
19)装置带有1个RS485总线通信口和1个以太网通信口,便于实现双网通信。
20)装置具有9路交流模拟量输入,1路直流模拟量输入,12路开关量输入,8路开关量输出。
§2-5 电源点具体情况介绍
一、风力发电及光伏发电
(一) 风力发电及光伏发电基本电路流程:
(二) 风、光发电并网器及控制器的面板及侧板情况
1、风电控制器及并网器面板
2、光伏发电并网电源及控制逆变器面板
(三) 风、光发电并网步骤
1、风力发电并网步骤
投入步骤
(1)确认电网接入端母线有电压(即实验室配电7#屏母线有电压);
(2)将风电并网器的电网接入端开关合上;
(3)确认风机输入端切换到风电并网器;
(4)打开手动刹车开关;
(5)按下风电并网器底部的绿色开关按钮。
退出步骤:
(1)将风电并网器的电网接入端开关断开;
(2)再按风电并网器底部的绿色开关按钮(按钮抬起,退出)
(3)合上手动刹车开关。
2、风力发电带单独直流负载步骤
投入步骤
(1)将风机输入端切换到风电控制器;
(2)将风电控制器面板上开关打到“开”位置。
退出步骤:
(1)将风电控制器面板上开关打到“关”位置。;
(2)将风机输入端切换到风电并网器。
3、风力发电带单独交流负载步骤
投入步骤
(1)确认电网接入端母线无电压(即实验室配电7#屏母线无电压,即只带负载而无其他电源);
(2)将风机输入端切换到风电控制器;
(3)合上光伏控制逆变器面板上的“蓄电池空开”;
(4)将光伏控制逆变器面板上的“逆变开关”打到“开”位置;
(5)按下光伏控制逆变器上的“复位”按钮;
(6)将风电控制器面板上开关打到“开”位置;
(7)将光伏控制逆变器背板内侧的双投刀闸投到负载位置(向上打);
(8)合上光伏控制逆变器面板上的“交流输出空开”。
退出步骤:
(1)断开光伏控制逆变器面板上的“交流输出空开”;
(2)将光伏控制逆变器背板内侧的双投刀闸投到并网位置(向下打);
(3)将风电控制器面板上开关打到“关”位置;
(4)将光伏控制逆变器面板上的“逆变开关”打到“关”位置;
(5)断开光伏控制逆变器面板上的“蓄电池空开”;
(6)将风机输入端切换到风电并网器。
4、光伏发电并网步骤
投入步骤:
(1)确认电网接入端母线有电压(即实验室配电7#屏母线有电压);
(2)确认光伏控制逆变器背板内侧的双投刀闸投到并网位置(向下打);
(3)合上光伏并网器的电网空开;
(4)合上光伏并网器的光伏输入空开。
退出步骤:
(1)断开光伏并网器的电网空开;
(2)断开光伏并网器的光伏输入空开。
5、光伏发电带单独交流负载步骤
投入步骤
(1)确认电网接入端母线无电压(即实验室配电7#屏母线无电压,即只带负载而无其他电源);
(2)合上光伏控制逆变器面板上的“蓄电池空开”;
(3)将光伏控制逆变器面板上的“逆变开关”打到“开”位置;
(4)按下光伏控制逆变器上的“复位”按钮;
(5)合上光伏控制逆变器的光伏输入空开;
(6)将光伏控制逆变器背板内侧的双投刀闸投到负载位置(向上打);
(7)合上光伏控制逆变器面板上的“交流输出空开”。
退出步骤:
(1)断开光伏控制逆变器面板上的“交流输出空开”;
(2)将光伏控制逆变器背板内侧的双投刀闸投到并网位置(向下打);
(3)断开光伏控制逆变器的光伏输入空开;
(4)将光伏控制逆变器面板上的“逆变开关”打到“关”位置;
(5)断开光伏控制逆变器面板上的“蓄电池空开”;
二、超级电容发电
1、超级电容发电柜面板:
2、超级电容发电基本电路流程:
三、THLZD-II型电力系统综合自动化实验平台
THLZD-2型电力系统综合自动化实验台是浙江天煌科技实业有限公司生产的,集多种功能于一体的综合型实验装置,展示了现代电能发出和输送全过程的工作原理。这套实验装置由THLZD-2电力系统综合自动化实验台(简称“实验台”)、THLZD-2电力系统综合自动化控制柜(简称“控制柜”)、无穷大系统和发电机组和三相可调负载箱等组成。该实验台可开设电气工程及其自动化专业主要专业课程的各种实验项目,满足实验教学要求。
(一) 控制柜及实验台面板及侧板情况
1、控制柜面板及侧板
2、实验平台面板及侧板
(二) 发电机与实验室系统的并网、功率调整及解列停机操作
1、手动方式并网
(1)依次合上控制柜面板上的“总电源”、“三相电源”、“单相电源”开关;
(2)依次合上实验台左侧板上的“三相电源”、“单相电源”开关;
(3)将控制柜面板上的“原动机电源”开关打到“开”位置;
(4)按下控制柜上微机调速装置面板上的“手动/自动”键,选定“自动”方式,再按下该装置面板上的“启动”键;
(5)将实验台面板上“励磁方式”旋钮打到“手动”,“励磁电源”旋钮打到“他励”;
(6)将控制柜面板上的“励磁电源”开关打到“开”位置;
(7)手动调整实验台面板上的“手动调压”旋钮,增大发电机出口电压直到额定值(400V);
(8)将实验台面板上的“发电机运行方式”开关切换到“组网”位置;
(9)确认与该电源相连的实验室母线有电压;
(10)将实验台面板上“同期表控制”旋钮打到“投入”位置,“同期方式”旋钮打到“手动”位置;
(11)频率调整:按下控制柜上微机调速装置面板上的“手动/自动”键,选定“手动”方式,按下该装置面板上的“+”键或“-”键以调整发电机转速(即调整频率),直到频差满足要求(同期表左部的频差指针指向0附近);
(12)电压调整:手动调整实验台面板上的“手动调压”旋钮,直到压差满足要求(同期表右部的压差指针指向0附近);
(13)观察同期表,当同期表中部的整步表指针缓慢旋转到接近正上方粗黑线位置时,按下实验台面板上断路器QF0的合闸按钮,完成并网。
(14) 将实验台面板上“同期表控制”旋钮打到“退出”位置。
2、微机自动方式并网
(1)依次合上控制柜面板上的“总电源”、“三相电源”、“单相电源”开关;
(2)依次合上实验台左侧板上的“三相电源”、“单相电源”开关;
(3)将控制柜面板上的“原动机电源”开关打到“开”位置;
(4)按下控制柜上微机调速装置面板上的“手动/自动”键,选定“自动”方式,再按下该装置面板上的“启动”键;
(5)将实验台面板上“励磁方式”旋钮打到“微机”,“励磁电源”旋钮打到“他励”(或“自并励”);
*(6)将控制柜面板上的“励磁电源”开关打到“开”位置;
(7)确认控制柜上微机励磁装置的参数设置:
“励磁调节方式”为“恒Ug”;“恒Ug预定值”为发电机额定电压“400V”;“无功调差系数”为“+0”
(8)按下控制柜上微机励磁装置面板上的“启动”键;
(9)将实验台面板上的“发电机运行方式”开关切换到“组网”位置;
(10)确认与该电源相连的实验室母线有电压;
(11) 将实验台面板上“同期表控制”旋钮打到“投入”位置,“同期方式”旋钮打到“自动”位置;
(12)确认控制柜上微机准同期装置的参数设置:
“导前时间”为“200ms”;“允许频差”为“0.3Hz”;“允许压差”为“2V”;“自动调频”为“投入”;“自动调压”为“投入”; “自动合闸”为“投入”。
(13)按下控制柜上微机准同期装置面板上的“投入”键,自动完成并网;
(14) 将实验台面板上“同期表控制”旋钮打到“退出”位置。
3、功率调整(并网后进行)
(1)有功调整:多次按下控制柜上微机调速装置面板上的“+”键可增加发电机输出有功;多次按“-”键可减小发电机输出有功。
(2)无功调整:若为手动励磁方式,则手动调整实验台面板上的“手动调压”旋钮,逐步增大或减小励磁以增加或减小发电机输出无功;若为微机励磁方式,则多次按下控制柜上微机励磁装置面板上的“+”键或“-”键,逐步增大或减小励磁以调整发电机输出无功。
4、解列与停机(并网后进行)
(1)交替调整发电机有功及无功,将发电机的有功及无功逐步调整为0;
(2)按下实验台面板上断路器QF0的分闸按钮;
(3)减小发电机励磁至0(手动方式则调“手动调压”旋钮;微机自动方式则按下控制柜上微机励磁装置面板上的“灭磁”键)
(4)按下控制柜上微机调速装置面板上的“停止”键;
(5)当发电机转速减为0时,将控制柜面板上的“励磁电源”开关打到“关”,将控制柜面板上的“原动机电源”开关打到“关”。
*5、常规励磁建压方式
(1)依次合上控制柜面板上的“总电源”、“三相电源”、“单相电源”开关;
(2)依次合上实验台左侧板上的“三相电源”、“单相电源”开关;
(3)将控制柜面板上的“原动机电源”开关打到“开”位置;
(4)按下控制柜上微机调速装置面板上的“手动/自动”键,选定“自动”方式,再按下该装置面板上的“启动”键;
(5)将实验台面板上“励磁方式”旋钮打到“常规”,“励磁电源”旋钮打到“他励”或“自并励”;
(6)将控制柜面板上的“励磁电源”开关打到“开”位置;
(7)若励磁电源为“他励”方式,则调节控制柜上常规励磁装置面板上的“给定输入”旋钮,增大发电机出口电压直到额定值(400V);若励磁电源为“自并励”方式,则调节控制柜上常规可控励磁装置面板上的“给定输入”旋钮使给定电压为3.5V左右,按下常规可控励磁装置面板上的“起励”按钮然后松开,逐渐增大“给定输入”直到发电机出口电压达到额定值(400V)。